| 일 | 월 | 화 | 수 | 목 | 금 | 토 |
|---|---|---|---|---|---|---|
| 1 | 2 | 3 | ||||
| 4 | 5 | 6 | 7 | 8 | 9 | 10 |
| 11 | 12 | 13 | 14 | 15 | 16 | 17 |
| 18 | 19 | 20 | 21 | 22 | 23 | 24 |
| 25 | 26 | 27 | 28 | 29 | 30 | 31 |
- Murata
- X8R
- CERAMIC
- dispersion
- ni-paste
- Automotive
- Zirconia
- X7T
- CSZT
- C0G
- core-shell
- BaTiO3
- Barium titanate
- bme
- mlcc
- microstructure
- paste
- NI-MLCC
- halt
- EV
- Sintering
- oxygen vacancy
- nickel
- nano powder
- ZrO2
- ASSB
- coating
- reliability
- hydrothermal
- Powder
- Today
- Total
MLCC Material & Process
제6장 7절 저주파 유전분산 본문
1. 현상의 해석
Ni등의 비금속을 내부전극으로 사용할 경우, 전극이 산화되지 않도록 저 산소분압 중에서 소성할 필요가 있다. 그 때문에 비금속 전극과 같이 소성되는 유전체에는 환원분위기 소성에도 특성이 열화되지 않는 재료기술이 요구된다. 앞 절까지 F특성 유전체, B특성 유전체인 BT 고유전율계 재료의 고신뢰성화 (IR가속수명의 개선, 용량경시변화의 억제)에 대해서 언급하였다.
본 항에서는 온도보상용 콘덴서재료에 대해서 언급하고자 한다. 온도보상용 유전체 재료로서는 대기중 소성용 재료로서 La2O3-2TiO2와 Ba2Ti9O20, BaO-R2O3-TiO2계 (R:희토류원소) 등의 재료가 알려져 있지만, 이들 재료는 내부전극인 Ni 비금속이 산화되지 않도록 환원 분위기중에서 소성하면 저주파에서의 유전분산의 영향이 무시할 수 없게 된다. (CaSr)(TiZr)O3계 (이하CSZT) 재료를 환원분위기 중에서 소성했을 때의 유전특성에 미치는 조성, 소성조건, 미세구조의 영향에 대해서 소개하고자 한다. 즉 저주파 유전분산의 원인에 대해서 언급하겠다.
모조성 (CaSr)(TiZr)O3의 Ca/Sr비, Ti/Zr비를 변경하였을 때의 tanδ의 온도특성을 그림 1에 나타내었다. (모든 조성은 100kHz에서의 COG특성 (EIA규격 : 0±30ppm/℃)을 만족하도록 Ca/Sr비, Ti/Zr비를 조정하였다.) 여기서 Sr, Ti양이 증가함에 따라서 고온, 저주파에서 손실이 크게 된다고 한다.

손실의 거동을 상세히 조사하기 위해서 저주파영역 (1mHz ~ 10Hz)의 유전특성을 조사한 예(100 ~200℃)를 그림 2에 나타내었다. 모든 재료에서 손실의 peak가 관측되고 그 peak는 고온이 됨에 따라 고주파 측으로 shift한다. 또 손실 peak는 Sr, Ti양이 증가할수록 크게 된다. 손실 peak 주파수에서 얻어진 완화시간의 활성화 에너지는 모조성에 관계없이 약 0.9eV이다.

이들 모조성을 변경한 시료의 TSC의 측정결과를 그림 3에 나타내었다. TSC의 측정은 다음과 같은 방법으로 측정하였다. 처음에 400K에서 직류 바이어스전압을 인가하여 시료를 분극(DC 1V/㎛, 120sec)한 후, 직류전압을 인가한 채로 77K까지 냉각하고 분극을 동결시킨다. 다음, 77K에 유지하면서 전압을 제거하고, 시료양면의 전극을 단락시켜서 시료의 표면전하를 제거한다. 그 후 승온 속도 5K/min으로 400K까지 승온하고, 탈분극에 따른 전류를 측정한다. Sr, Ti양이 많은 시료일수록 peak전류가 크고, 분극밀도가 높다는 것을 알 수 있다.

또, TSC 스펙트럼에서 얻은 활성화에너지는 모조성에 상관없이 약 0.9eV이다. 이것은 저주파에서의 손실peak에서 얻은 활성화에너지와 같았다. TSC 스펙트럼에서 얻은 완화시간도 손실peak에서 얻은 완화시간과 같은 수준이므로 저주파유전분산의 원인과 TSC로 관측된 분극기구가 동일하다고 생각된다. 절연저항의 온도의존성을 그림 4에 나타내었다.

100~200℃의 온도범위에 3단계로의 굽어진 특성을 나타내고 있다. 공기중 소성했던 시료에서는 이와 같은 현상은 없고 환원 분위기 소성을 했을 경우 나타난다. 이 원인은 donor의 고갈, 분극의 완화시간의 영향 등이 생각되지만 아직 확실하지는 않다. 비저항은 Sr, Ti양이 증가함에 따라서 저하한다. 또 Arhenious Plot에서 얻은 활성화 에너지는 고온영역, 저온영역 모두 모조성에 상관없이 0.9eV라고 보고되었다. 이처럼 비교적 낮은 활성화에너지에도 불구하고 실온에서의 전기전도도가 10-13[Sm-1]로 낮기 때문에, carrier는 격자결함과 같은 불순물준위로부터 여기된 전자일 것으로 생각된다.
다음으로 소성 조건의 영향에 대해서 언급하겠다. 환원 분위기 중에서 소성한 시료와 그 후 재산화를 위해 annealing 처리를 한 시료의 tanδ (100Hz)의 온도의존성을 그림 5에 나타내었다. 이것에서 annealing처리를 함으로써 고온의 손실을 억제할 수 있다는 것을 알 수 있다. 이들 시료의 TSC측정결과를 그림 6에 나타내었다. 열처리를 함에 따라 peak전류가 억제되고, 분극밀도가 저하하는 것을 알 수 있다.


이 TSC 분석에서 얻은 활성화 에너지는 열처리 전-후 모두 약 0.9eV이다. 이상으로, 전기 전도성 물질이 저주파유전분산에 관여하고 있고, 모조성과 열처리조건으로, carrier밀도, 분극밀도가 변화하고 있다는 것을 알 수 있다. 이 저주파유전분산의 원인으로 생각되는 전기 전도성 물질로서는 불순물 준위에 trap되어있는 전자가 관여하고 있다고 예측된다. 재산화처리로 carrier밀도, 분극밀도가 감소하기 때문에 불순물 준위로서 산소공공을 생각할 수 있으며 trap된 전자밀도가 높을수록 저주파유전분산은 현저히 나타난다.
2. 재료인자의 영향
모조성을 바꾸었을 때 미세구조와 전기특성의 관계에 대해서 언급하겠다. Ca/Sr, Ti/Zr비를 각각 독립적으로 변경했을 때의 tanδ의 온도의존성 (100Hz)를 그림 7에 나타내었다. Ti/Zr비에 비해 Ca/Sr비가 저주파의 손실에 큰 영향을 미치고 있다는 것을 알 수 있다. Ca/Zr비를 변경한 시료에 대해서 미세구조를 조사한 결과, Sr양이 증가할 수록 결정 입성장이 촉진되고 Mn의 편석상이 형성된다고 보고되고 있다.

처음으로 결정 입경의 영향에 대해서 언급하겠다. 조성의 영향을 제외하기 위해서 조성을 Ca/Sr=30/70, Ti/Zr=5/95로 고정하고 소성 유지시간은 변화시켜 결정입경을 제어한 시료 (평균결정입경 1~15㎛)를 만들었다. 이 때 tanδ (100Hz)의 온도의존성을 그림 8에 나타내었다. 입경이 작아 질수록 고온의 손실은 저하한다. TSC의 측정결과, 입경이 작아 질수록 분극밀도는 감소된다고 보고되어 있다. 저항의 온도의존성을 그림 9에 나타내었다.


다음 Mn의 편석상의 영향에 대해서 언급하겠다. 주성분 Zr과 첨가성분 Si, Mn의 EPMA 면분석 결과를 그림 10에 나타내었다. 모든 조성에서 Si편석상이 관찰되지만, Sr양이 증가함에 따라서 Si편석상 중의 Mn검출강도가 증가한다는 것을 알 수 있다. Mn, Si편석부분에서 주성분 Zr의 검출강도가 낮아 졌기 때문에 Mn-Si rich상 또는 (CaSr)- Mn-Si rich상이 형성되었으리라 예상된다. TEM-EDS 분석결과 Ca2SiO4상에 Mn이 고용한 2차 상이 확인되었다. 즉, Sr양이 증가함에 따라서 모재(CaSr)(TiZr)O3결정중에 고용되어 있는 Mn량이 감소되어 있음을 알 수 있다.

Mn은 모재에 고용되어 내환원성을 부여하는 acceptor 준위를 형성한다고 생각되며, Sr양의 증가에 따라 Mn의 모재중으로의 고용농도를 저하하면 전도전자가 증가하여 저항이 감소된다고 예측된다.

또, Sr양이 증가함에 따라서 Ca rich한 2차 상이 증가하기 때문에, CSZT결정의 A/B비는 1보다 작아 진다. BT계 재료에서는 내환원성을 부여하는 방법의 하나로서 A/B > 1로 한다는 것은 앞서 언급한 바 있다. CSZT계 재료에 있어서도 Sr양이 증가함에 따라 B site rich조성의 CSZT결정이 증가함에 따라 내환원성이 열화할 것으로 예상된다.
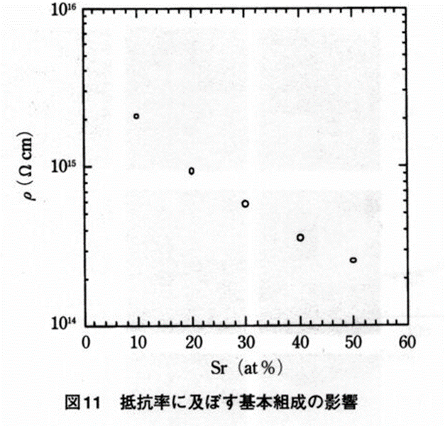
이들의 Ca/Sr비를 변경한 시료의 실온에서의 저항의 측정결과를 그림11에 나타내었다. Sr양이 많아짐에 따라서 실온이 저항이 저하되는 것이 확인되었다. 이것에서 손실의 증대는 전술한 것 처럼 내환원성의 열화에 의한 전도전자의 증가가 원인이라 예상된다. 이상결과로부터 Ca/Sr비를 변경한 시료의 저항은 주로 미량첨가물 Mn의 고용농도, CSZT결정의 A/B비, 결정입경의 영향을 받는다는 것을 알 수 있다.

미량첨가물 Mn이 저주파유전분산에 큰 영향을 미치기 때문에 다시 다른 미세첨가물에 대해서도 조사해 보았다. 미량 첨가물 (0.2at%)가 tanδ (100Hz)의 온도특성에 미치는 경향을 그림 12에 나타내었다. Mg나 Zn을 첨가한 시료에서 손실이 증가하고 ,Ta, Ce를 첨가한 시료에서의 손실은 감소한다는 것을 알 수 있다. TSC의 측정으로부터 Mg이나 Zn을 첨가한 시료에서 분극밀도가 증가하는 것에 비해서, Ta, Ce를 첨가한 시료에서는 분극밀도가 감소한다고 보고되어 있다. 이들 시료의 저항의 온도의존성 측정결과를 그림 13에 나타내었다. 분극밀도가 낮고 손실이 작은 Ta, Ce첨가 시료에서는 저항이 커진다는 것을 알 수 있다. Arhenious plot으로 깨끗한 직선이 아니지만 기울기는 적고 공기 중에서 소성한 경우의 시료의 기울기 (약 0.5eV정도)에 가깝게 되어있다.


TEM에 의한 시료의 관측결과의 예를 그림 14에 나타내었다. 입내의 전위 loop가 존재하는 것을 확인하였다. BT를 주성분으로 하는 고유전율계 유전체에서도 환원분위기 소성 등으로 동일한 전위 loop가 생성된다고 알려져 있으며 이것은 산소공공의 집합체라고 생각된다. BT계에서는 이 전위 loop가 신뢰성 저하요인 중 하나라고 생각되며. CSZT계 유전체에서 확인된 전위loop가 무엇에 기인하는가는 현재로는 명확하지 않다. 전위 loop의 양과 저주파 유전분산의 관련하여 앞으로 상세한 검토가 요망된다.

'2001-적층세라믹 콘덴서의 개발과 재료기술 및 고신뢰성화' 카테고리의 다른 글
| 제7장1절 소형대형화에 따른 문제 (0) | 2022.05.15 |
|---|---|
| 제 6장 8 절 휨강도 (0) | 2022.05.15 |
| 제6장 6 절 용량의 경시 변화 (0) | 2022.05.15 |
| 제6장 5절 DOPING과 온도특성 (0) | 2022.05.15 |
| 제5장1절 Sheet 성형기술 (0) | 2022.05.15 |